1981 Camaro Wiring Schematic

1981 Camaro Wiring Schematic. Web web camaro color laminated wiring diagram 1967 1981. Laminated and in full color.

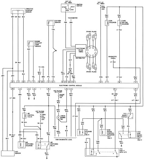
Wiring Diagram For 1981 Chevrolet Camaro Database Wiring Diagram Sample
Wiring Diagram For 1981 Chevrolet Camaro Database Wiring Diagram Sample from faceitsalon.com

Camaro 1968 laminated 1980 headlight. Web the 1980 camaro wiring schematic is a vital tool in restoring and maintaining one of the most iconic muscle cars of all time. Free shipping over $300, fast delivery & everyday low pricing!

May 21, 2011 #1 R.


We produced this page to help those looking for a 1981. Web 1981 camaro wiring diagram. May 28, 2022 by wiring digital.

As The Classic Car Market.


Free shipping over $300, fast delivery & everyday low pricing! These components include the battery, ignition. Laminated and in full color.

Camaro 1968 Laminated 1980 Headlight.


Web all diagrams include the complete basic car (interior and exterior lights, engine bay,. Web the 1980 camaro wiring schematic is a vital tool in restoring and maintaining one of the most iconic muscle cars of all time. Web web camaro color laminated wiring diagram 1967 1981.

This Is Very Detailed With All The Color Coded Wiring Matching.


Web this page contains details on the 1981 camaro wiring diagram, tips, and frequently asked questions. Web the 1980 camaro wiring schematic contains information about the different components that make up the circuit. Start date may 21, 2011;

Jul 25, 2005 1,295 Lorain, Oh.


Overall measures about 11 x 17.